
使用FOC控制永磁同步電機時,一般都需要準確的轉子位置信息和轉速信息才能實現高性能的三相永磁同步電機控制,但是,位置傳感器的安裝和使用會增加系統成本、尺寸和重量,并對使用環境有比較嚴格的要求。無傳感器控制技術通過檢測電機繞組中的有關電信號,采用一定的控制算法進而實現轉子位置及速度估算,代表了三相永磁同步電機控制系統的發展趨勢。
滑模控制是一種特殊的非線性控制系統,它與常規控制的根本區別在于控制的不連續性,即一種使系統“結構”隨時變化的開關特性。這種方法實現的關鍵在于滑模面函數的選取和滑模增益的選擇,既要保證收斂的速度,也要避免增益過大而引起電機運行時產生過大的抖陣問題。由于滑模控制對系統模型精度要求不高,對參數變化和外部干擾不敏感,所以它是一種魯棒性很強的控制方法。在三相永磁同步電機控制系統中,該方法是基于給定電流與反饋電流間的誤差來設計滑模觀測器(Sliding Mode Observer,SMO)的,并由該誤差來重構電機的反電動勢、估算轉子速度。
由于實際的控制量是一個不連續的高頻切換信號,為了提取連續的擴展反電動勢估計值,通常需要外加一個低通濾波器。然而,對等效控制量進行低通濾波處理時,在高頻切換信號濾除的同時,擴展反電動勢的估計值將發生幅值和相位的變化。為了獲得轉子位置信息,可通過反正切函數方法獲得。傳統SMO 算法的實現原理下圖所示:

傳統SMO算法的實現原理的MATLAB模型如下圖所示:

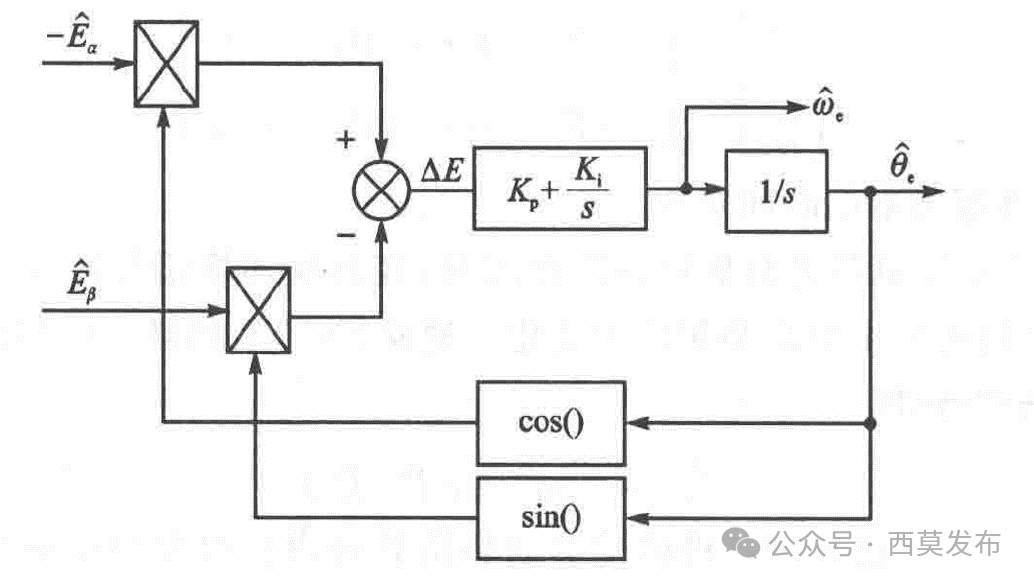
由于滑模控制在滑動模態下伴隨著高頻抖陣,因此估算的反電動勢中將存在高頻抖陣現象。基于反正切函數的轉子位置估計方法將這種抖陣直接引入反正切函數的除法運算中,導致這種高頻抖陣的誤差被放大,進而造成較大的角度估計誤差。為了解決上述問題,可以采用鎖相環(Phase-locked Loop, PLL) 系統來提取轉子的位置信息。基于PLL的SMO算法的實現原理如下圖所示:

基于PLL的SMO算法的實現原理的MATLAB模型如下圖所示:

最終得到基于SMO的三相永磁同步電機無傳感器控制框圖如下所示。可以看出,在傳統的矢量控制技術的基礎上增加了無傳感器控制策略后,其中的轉速給定值和轉子位置都是使用SMO的估算值,就可以避免機械傳感器的使用。

AIP艾普專注全球測試,以上信息來源網絡,為西莫發布原創文章,如有侵權請聯系作者更改。
魯公網安備37021302000917號